此款气动旋转接头是一款扭力小,性价比超高的旋转接头(也叫气滑环或者气电), 速度最大可达600RPM, 可单独传输压缩空气,真空负压的同时,也同时能够传输电源信号,主要应用于360度陆续在旋转且需要保证气压,真空,电源,信号不能中断的场合:如各种自动化非标设备,锂电池设备,手机测试设备,手机高端装备设备,各种激光设备,涂布机 、涂覆隔膜设备 、软包电池用包装膜设备,邦定设备 、贴合设备,电子半导体工业自动化设备;光电平板显示(LCD/LCM/TP/OLED/PDP)工业自动化设备、检测设备、其他自动化非标专业设备等等。
| 技术规格参数 | ||||
| 旋转气接头部分技术指标 | 机械技术指标 | |||
| 参数 | 数值 | 参数 | 数值 | |
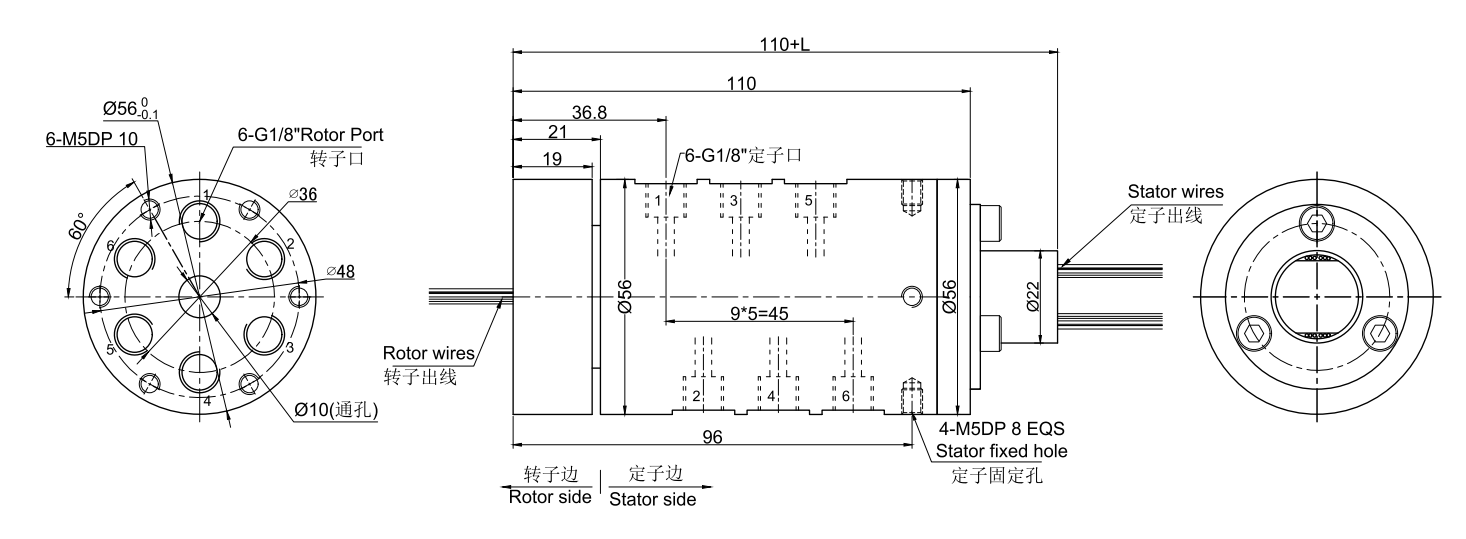
| 通道数 | 6进6出, G1/8" | 工作寿命 | 1000万转以上 | |
| 最大压力 | 1MPa (可定制高压),真空 0.01torr | 额定转速 | 500RPM | |
| 扭矩 | 与接口尺寸相关,详见选型表 | 工作温度 | -30℃~80℃ | |
| 电气技术指标 | 工作湿度 | 0~85% RH | ||
| 参数 | 数值 | 接触材料 | 贵金属 | |
| 功率 | 信号 | 壳体材料 | 铝合金 | |
| 额定电压 | 0~240VAC/VDC | 0~240VAC/VDC | 防护等级 | IP51 |
| 绝缘电阻 | ≥500MΩ/500VDC | ≥500MΩ/500VDC | ||
| 导线规格 | AWG17#镀锡铁氟龙 | AWG22#镀锡铁氟龙 | ||
| 导线长度 | 标准长度300mm(可据要求调整) | |||
| 绝缘强度 | 500VAC@50Hz,60s | |||
| 动态电阻变化值 | <0.01Ω | |||




经过多年的经验积累,尊龙凯时拥有20万多个产品3D图档数据库,
由于互联网的开放性和同行竞争,需要产品3D图档的客户请留下电子邮箱或者QQ。
审核完联系方式后,我们的系统将在5分钟内把3D自动发动到您的电子邮箱!