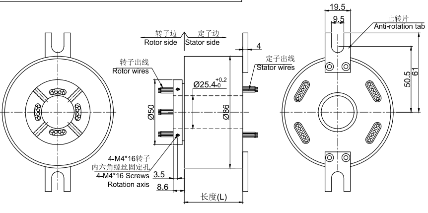
过孔式导电滑环是现在工业滑环里面性价比最高,最畅销的一个系列产品,主要应用于360度陆续在旋转且需要保证电源,信号不能中断的场合:如各种雷达,安防设备,娱乐设备,各种机器人、机械手,各种浮空器,各种风力发电设备吹瓶机,灯检机,各种转台,游乐游艺设备,虚拟3D,VR设备, 车载卫星天线,船载卫星电线,电缆卷筒,擦窗机设备,旋转餐桌,旋转舞台,旋转屏幕,旋转餐厅,电动工程机械,最新的VR模拟仿真设备等,尤其是在led大屏旋转滑环应用得最为广泛。

| 技术规格参数 | ||||
| 机械技术指标 | 电气技术指标 | |||
| 参数 | 数值 | 参数 | 数值 | |
| 工作寿命 | 1亿转 | 功率 | 信号 | |
| 额定转速 | 1~1800RPM | 额定电压 | 0~690VAC/VDC | 0~440VAC/VDC |
| 工作温度 | -30℃~80℃ | 绝缘电阻 | ≥1000MΩ/500VDC | ≥1000MΩ/500VDC |
| 工作湿度 | 0~85% RH | 导线规格 | AWG16#镀锡铁氟龙 | AWG22#镀锡铁氟龙 |
| 接触材料 | 贵金属 | 导线长度 | 标准长度300mm(可据要求调整) | |
| 壳体材料 | 铝合金 | 绝缘强度 | 800VAC@50Hz,60s | |
| 转动扭矩 | 0.1N.m;+0.03N.m/6路 | 动态电阻变化值 | <0.03Ω | |
| 防护等级 | IP51 | |||








经过多年的经验积累,尊龙凯时拥有20万多个产品3D图档数据库,
由于互联网的开放性和同行竞争,需要产品3D图档的客户请留下电子邮箱或者QQ。
审核完联系方式后,我们的系统将在5分钟内把3D自动发动到您的电子邮箱!