尊龙凯时

MC1940系列 紧凑型滑环
MC1940系列 紧凑型滑环
  • · MC1940是一款标准的帽式滑环,采用金-金接触点,保证了稳定性和使用寿命,主要用于民用,商用领域。
  • · 102芯滑环,102路帽式滑环,102线导电滑环是MC1940的高端产品,超厚镀金处理,全进口轴承,稀有金属合金刷丝,主要用于军用,国防等非民用领域。

典型应用:

CCTV, 高速球,云台,测量仪器仪表等行业,通常也叫做高速球专用滑环, 云台滑环, 价格便宜, 路数配置灵活,另外应用于高速离心机滑环 高速变位机滑环,高速转台滑环,管内摄影机,安检专用设备滑环,加热管旋转导电滑环,焊接设备滑环,旋转门滑环,机械手臂导电滑环,展览/显示设备,海运设施,圆形针织机,电阻切割机等等。;

型号订购说明:


产品等级表
MC1940 和 MC19409的区别:
型号最高转速产品寿命扭矩壳体材料电气噪音①@10Rpm
MC1940250RPM>1000万0.02 N·m金属10mΩ
MC19409600RPM>2000万0.01 N·m金属5mΩ

技术规格参数
机械技术指标电气技术指标
参数数值参数数值
工作寿命见产品等级表功率信号
额定转速见产品等级表额定电压0~240VAC/VDC0~240VAC/VDC/VDC
工作温度-30℃~80℃/-45℃~80℃绝缘电阻≥100MΩ/500VDC≥100MΩ/500VDC
工作湿度0~85%RH/0~97%RH导线规格AWG28#镀锡铁氟龙AWG28#镀锡铁氟龙
接触材料见产品等级表导线长度标准长度300mm(可据要求调整)
壳体材料见产品等级表绝缘强度500VAC@50Hz,60s
转动扭矩0.05N.m;+0.01N.m/6路动态电阻变化值<0.01Ω
防护等级IP51



MC1940紧凑型帽式滑环选型表
型号信号或2A4A8A15A总路数
MC1940102000102

注:N个10A 电流环并起来可作为1路N*10A电流环使用;比如: 2环10A 并起来做作为 1路20A 使用。如有特殊要求,请咨询客服。

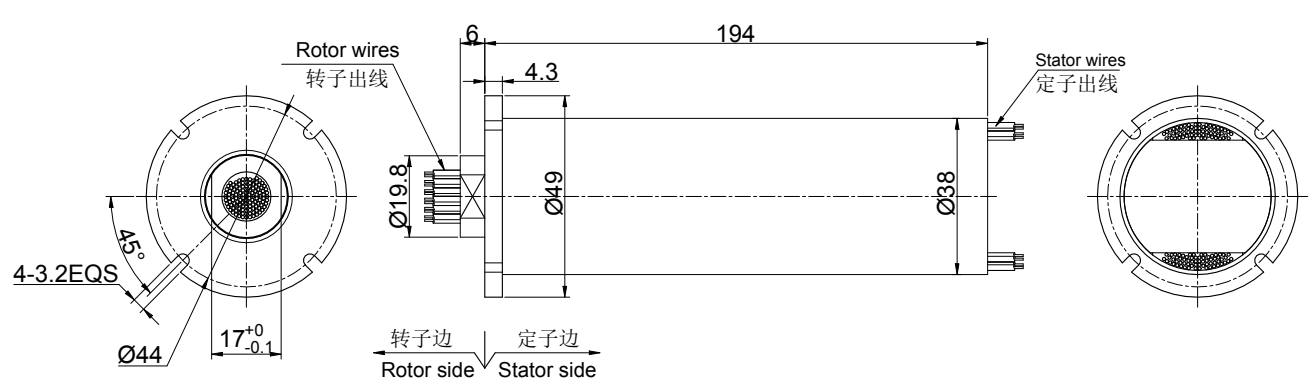
标准图纸

同系列更多产品参考:
获取产品3D图纸
X

经过多年的经验积累,尊龙凯时拥有20万多个产品3D图档数据库,
由于互联网的开放性和同行竞争,需要产品3D图档的客户请留下电子邮箱或者QQ。

审核完联系方式后,我们的系统将在5分钟内把3D自动发动到您的电子邮箱!