尊龙凯时

GHS1256系列高转速导电滑环
GHS1256系列高转速导电滑环
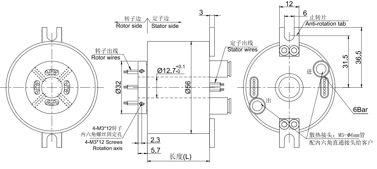
  • · 高速过孔导电滑环,整体精密导电滑环,内孔12.7mm,外径56mm,最高转速12000RPM。
  • · 采用先进的贵金属簇刷式多点接触,在极低的摩擦力下保证接触可靠。
  • · 标准化产品,有库存
  • · 镀金环+合金刷(镀金)

典型应用:

高速导电滑环的应用领域很多,比如雷达系统、高速转台/海工设备、舰艇系统/医疗设备/反应釜、旋转灯箱、奶制品生产设备、直升机、绕线机、坦克、智能动态玩具、水平镀铜生产线、游乐设施、路桥机械、机械手臂、旋转舞台、单晶炉、 手术灯、智能家电、圆形针织机、航空设备/热滚轮、旋转摄像机、雷达通讯设备、管内摄像机、盾构机、食品机械、加热转轴等;

型号订购说明:


技术规格参数
机械技术指标电气技术指标
参数数值参数数值
工作寿命3亿转功率信号
额定转速12000RPM额定电压0~440VAC/VDC0~440VAC/VDC
工作温度-30℃~80℃绝缘电阻≥1000MΩ/500VDC≥1000MΩ/500VDC
工作湿度0~85% RH导线规格AWG17#镀银铁氟龙AWG22#镀银铁氟龙
接触材料贵金属导线长度标准长度300mm(可据要求调整)
壳体材料铝合金绝缘强度500VAC@50Hz,60s
转动扭矩0.1N.m;+0.03N.m/6路动态电阻变化值<0.03Ω
防护等级IP51



GHS1256系列高速滑环选型表
型号10A信号或5A长度 L(mm)型号10A信号或5A长度 L(mm)
GHS1256-S060648.2GHS1256-P1410-S0414486.6
GHS1256-P0210-S042448.2GHS1256-P1610-S0216286.6
GHS1256-P0410-S024248.2GHS1256-P181018086.6
GHS1256-P06106048.2GHS1256-S24024105.8
GHS1256-S1201267.4GHS1256-P0410-S20420105.8
GHS1256-P0210-S1021067.4GHS1256-P0610-S18618105.8
GHS1256-P0410-S093967.4GHS1256-P1210-S121212105.8
GHS1256-P0610-S066667.4GHS1256-P1810-S06186105.8
GHS1256-P0810-S048467.4GHS1256-S30030130
GHS1256-P1010-S0210267.4GHS1256-P0210-S28228130
GHS1256-P121012067.4GHS1256-P0410-S26426130
GHS1256-S1801886.6GHS1256-P0610-S24624130
GHS1256-P0210-S1621686.6GHS1256-S36036149.2
GHS1256-P0410-S1441486.6GHS1256-P0410-S32432149.2
GHS1256-P0610-S1261286.6GHS1256-P0610-S30630149.2
GHS1256-P0810-S1081086.6GHS1256-S42042168.4
GHS1256-P1010-S0810886.6GHS1256-P0410-S38438168.4
GHS1256-P1210-S0612686.6GHS1256-S48048187.6

标准图纸

同系列更多产品参考:
获取产品3D图纸
X

经过多年的经验积累,尊龙凯时拥有20万多个产品3D图档数据库,
由于互联网的开放性和同行竞争,需要产品3D图档的客户请留下电子邮箱或者QQ。

审核完联系方式后,我们的系统将在5分钟内把3D自动发动到您的电子邮箱!