高速导电滑环的应用领域很多,比如雷达系统、高速转台/海工设备、舰艇系统/医疗设备/反应釜、旋转灯箱、奶制品生产设备、直升机、绕线机、坦克、智能动态玩具、水平镀铜生产线、游乐设施、路桥机械、机械手臂、旋转舞台、单晶炉、 手术灯、智能家电、圆形针织机、航空设备/热滚轮、旋转摄像机、雷达通讯设备、管内摄像机、盾构机、食品机械、加热转轴等;

| 技术规格参数 | ||||
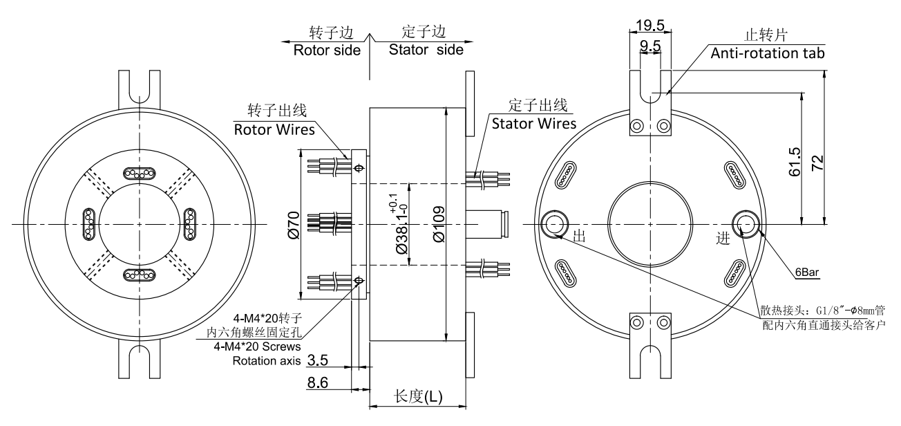
| 机械技术指标 | 电气技术指标 | |||
| 参数 | 数值 | 参数 | 数值 | |
| 工作寿命 | 3亿转 | 功率 | 信号 | |
| 额定转速 | 8000RPM | 额定电压 | 0~690VAC/VDC | 0~440VAC/VDC |
| 工作温度 | -30℃~80℃ | 绝缘电阻 | ≥1000MΩ/500VDC | ≥1000MΩ/500VDC |
| 工作湿度 | 0~85% RH | 导线规格 | AWG16#镀银铁氟龙 | AWG22#镀银铁氟龙 |
| 接触材料 | 贵金属 | 导线长度 | 标准长度300mm(可据要求调整) | |
| 壳体材料 | 铝合金 | 绝缘强度 | 500VAC@50Hz,60s | |
| 转动扭矩 | 0.1N.m;+0.03N.m/6路 | 动态电阻变化值 | <0.03Ω | |
| 防护等级 | IP51 | |||




经过多年的经验积累,尊龙凯时拥有20万多个产品3D图档数据库,
由于互联网的开放性和同行竞争,需要产品3D图档的客户请留下电子邮箱或者QQ。
审核完联系方式后,我们的系统将在5分钟内把3D自动发动到您的电子邮箱!