尊龙凯时

    ME2201系列 以太网滑环
    ME2201系列 以太网滑环
    • · 1通道1000M 以太网+ 1~33 通道 功率/信号
    • · ME2201系列1路千兆网线滑环,网线滑环,内孔20mm,外径为标准69mm的紧凑型整体式结构的1通道100M/1000M 以太网整体式精密导电滑环。
    • · 能混合传输功率电流,信号等!
    • · 具有传输稳定,不丢包,不串码,回损小,插入损耗小等优点。
    • · 美国军工镀层技术,贵金属+超硬镀金处理、超低的BER误码率和超高的信噪比。

    典型应用:

    工业机器加工中心、旋转工作台、重型设备塔台、电缆卷盘、包装设备、磁性离合器、工艺控制设备、旋转传感器、紧急照明设备、机器人、展览/显示设备、医疗设备、旋转门等;

    型号订购说明:


    产品等级表
    产品等级代号最高转速工作寿命接触材料
    VC(通用级)150RPM1000万转镀金-镀金
    VD(工业级)600RPM2000万转金合金

    技术规格参数
    以太网部分技术指标机械技术指标
    参数数值参数数值
    1000M以太网1 路 1000M以太网工作寿命参考产品选型等级
    接头RJ45额定转速参考产品选型等级
    误码率BER10E-11工作温度-30℃~80℃
    电气技术指标工作湿度0~85% RH
    参数数值接触材料参考产品等级选型表
    功率信号壳体材料铝合金
    额定电压0~440VAC/VDC0~440VAC/VDC转动扭矩0.1N.m;+0.03N.m/6路
    绝缘电阻≥1000MΩ/500VDC≥1000MΩ/500VDC防护等级IP51
    导线规格AWG17#镀锡铁氟龙AWG22#镀锡铁氟龙
    导线长度标准长度300mm(可据要求调整)
    绝缘强度500VAC@50Hz,60s
    动态电阻变化值<0.01Ω



    ME2201 - 1通道以太网滑环系列选型表
    型号1000M
    以太网
    10A20A信号
    或5A
    长度 L
    (mm)
    型号1000M
    以太网
    10A20A信号
    或5A
    长度 L
    (mm)
    ME2201-S03100365.6ME2201-P0410-S1114011106.4
    ME2201-P0310130065.6 ME2201-P0610-S091609106.4
    ME2201-P0420104086ME2201-P0810-S071807106.4
    ME2201-S09100986ME2201-P1010-S0511005106.4
    ME2201-P0210-S07120786ME2201-P1210-S0311203106.4
    ME2201-P0410-S05140586ME2201-S2110021126.8
    ME2201-P0610-S03160386ME2201-S2710027150.2
    ME2201-S1510015106.4ME2201-S3310033170.6
    ME2201-P0210-S1312013106.4

    1)10A,20A,5A可根据自己的需要任何组合,需要2路以上网线请联系客服
    2 ) N个10A 电流环并起来可作为1路N*10A电流环使用;比如: 2环10A 并起来做作为 1路20A 使用。

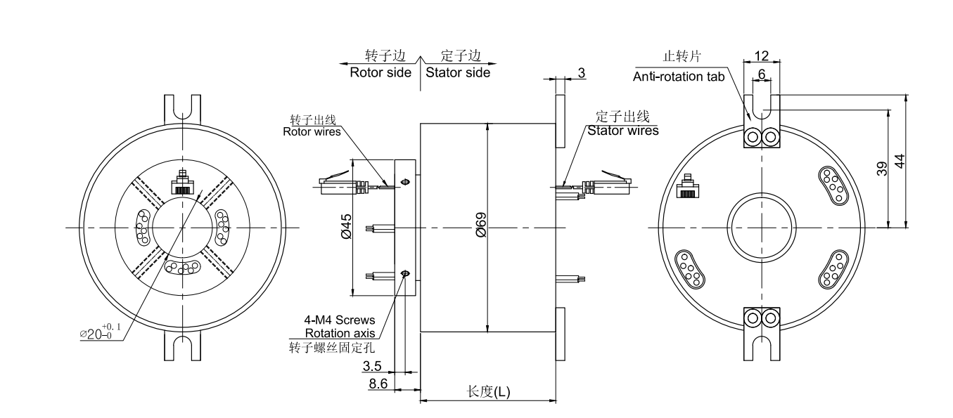
    标准图纸
    同系列更多产品参考:
    获取产品3D图纸
    X

    经过多年的经验积累,尊龙凯时拥有20万多个产品3D图档数据库,
    由于互联网的开放性和同行竞争,需要产品3D图档的客户请留下电子邮箱或者QQ。

    审核完联系方式后,我们的系统将在5分钟内把3D自动发动到您的电子邮箱!